教材名 磁気センサ用アンプの改良
教材名2
教材ID 69
教材作成者名 高本 浩司
教材作成日 1998-02-20
改訂情報
ジャンル名 高度教材
分野名 電気・電子系
業種名 電気・電子部品製造業
職務名 電子回路設計
職務構成名 アナログ回路設計
区分名 教材
職業名 電気技術者
■訓練実施場所と設備機器

 

【訓練実施場所の条件】

 訓練実施に当たり、以下の条件を快適に行える環境が必用である。

  • 講義を行うため、指導員が板書でき受講生が筆記できること。また、OHPの使用が可能なこと。
  • ハンダ付け作業ができること。
  • 回路の特性測定等の測定実習ができること。
  • フィールドテストを行う屋外スペースがあること。


【設備機器一覧表】

 使用する機器一覧表を表1に示す



【設備機器システム構成例及び事例】

  • 周波数特性測定を図2に示す
    (ただし,図番号は指導用テキストの図番号に対応している)


図2 周波数特性測定図2


 測定用ケーブル(BNC-ワニ口クリップケーブル)を2本、測定用コードを2本使用する

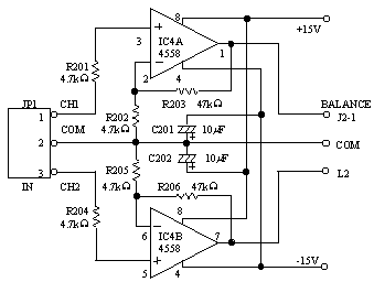
  • プリアンプ回路図を図4に、実体配置及び配線図を図5に示す
    (ただし,図番号は指導用テキストの図番号に対応している)



図4 プリアンプ回路


図5 実体配置及び配線図

  • プリアンプ回路の動作確認用結線図を図6に示す
    (ただし、図番号は指導用テキスト) の図番号に対応している)



図6 プリアンプ回路の動作確認用結線図

シンクロスコープ用プローブを2本,低周波発振器用BNC-ワニ口クリップケーブル1本,測定用コード4本(赤2本,黒2本)を使用する


【器工具】

 器工具について表2に示す


※上記以外の資料(「教材」と「実技関連説明書」など)は、 こちら(ユーザ名=ユーザIDとパスワードが必要です)。
ユーザ名とは会員登録時に発行されたユーザIDを指します。
ユーザ名とパスワードをお持ちでない方は教材作成支援情報メニュー一覧から会員登録を行って下さい。